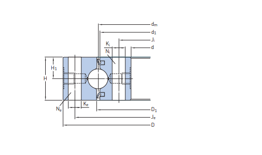
Bearing data − general DimensionsThe boundary dimensions of single row fourpoint contact ball slewing bearings aredictated by practical application requirementsand do not comply with any international ornational standard. Light series and mediumsize bearings are dimensionallyinterchangeable with competitors’ products.
